概述 多功能变送器主要是将测量的三相电流、电压、功率因数、有功功率、无功功率、频率信号,隔离输出模拟信号的装置。
技术指标

产品示例

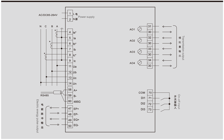
典型功能接线示意图

典型功能接线示意图 ◆产品只具备一路通讯接口; ◆产品扩展功能通道数少于以上示意图,则默认从第一路端号开始。
订货示例 例1: 名称:多功能变送器 型号:JD106E-BS 电源:AC85~270V 信号输入:AC220V AC100A/5A 三相四线 其它:A01,4~20mA对应A相0~80A A02,4~20mA对应B相0~80A A03,4~20mA对应C相0~80A A04, 4~20mA对应0~66KW |